Home Page for Hoist, Cranes, Parts, Electric Hoist, JIB, E.O.T, H.O.T Cranes hoistcranes Menu Hoist and Cranes Home Page
Send Enquiry For Hoist, Cranes, Parts, Electric Hoist, JIB, E.O.T, H.O.T Cranes

 

Electric Wire Rope Hoist Guide >> Installation

Installation of Mono Rail Hoist

Installation of Mono Rail Hoist



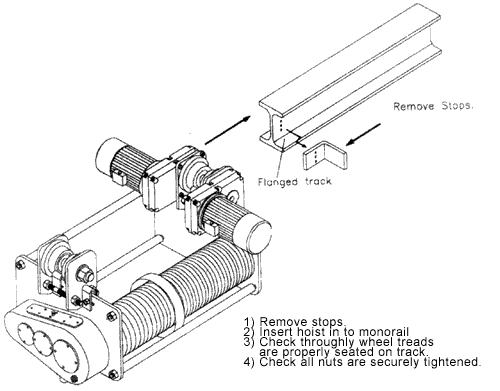
Installation of Mono Rail Hoist having Free End

Installation of Mono Rail Hoist having Free End


Next : Lubrication

|

 


Home | Products | Introduction | Contacts | Send Enquiry

Send Enquiry For hoist, flame proof electric hoist, wire rope hoist, crane hoist, electric hoist , cranes, overhead crane jib crane, flame proof, gantry crane, overhead travelling crane, E.O.T.cranes, H.O.T cranes,under slug cranes, goliath cranes, gear coupling, thrustor brakes, geared motors, helical gear box, crane kit, maximum capacity 300 tons, 40 tons.
Click for details >>


© 2005 Reserved HoistAndCranes.in